| Характеристики Плавиковая кислота 9 Ultradent | |
| Тип | Плавиковая кислота |
| Специализация | Терапия, Ортопедия |
Основные особенности и преимущества
Плавиковая кислота 9% (Porcelain Etch Refil) от Ultradent – это специализированный гель на основе 9% плавиковой кислоты, предназначенный для создания текстурированной поверхности на керамике.
Производитель:
«Ultradent», США
Состав набора:
Porcelain Etch (2 шприца по 1,2 мл)
Применяется для протравливания керамических материалов в стоматологической практике

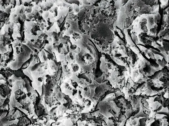
Фото до и после протравливания
Инструкция по использованию:
Процедура подготовки перед нанесением адгезива:
Слева на право: нанесение Porcelain Etch, очистка с фосфорной кислотой и последующее нанесение праймера.

Поделитесь своим мнением
Ваш отзыв поможет сделать выбор другим покупателям
Мы отправим на Ваш e-mail письмо, как только товар появится на нашем складе. Как работают подписки?